Voltage regulator wiring?

The 3 1/2 forum
Post Reply
Motomat350
Posts: 21
Joined: 09 Apr 2024 14:56
Location: Copenhagen

Voltage regulator wiring?

Post by Motomat350 »

Hello Morini experts :D

Does anyone know how to wire a new voltage regulator?
It has 6 terminals :!:


Happy riding 8)
Attachments
Morini 1.jpeg
Morini 1.jpeg (465.27 KiB) Viewed 5263 times
Morini 2.jpeg
Morini 2.jpeg (463.59 KiB) Viewed 5263 times
MickeyMoto
Posts: 2730
Joined: 22 Nov 2008 17:41
Location: Even further oop North

Re: Voltage regulator wiring?

Post by MickeyMoto »

We're you given a wiring diagram with it?

Why is there a green wire on your old reg/rec? Green is ignition. There should be two yellow wires from the alternator.
Motomat350
Posts: 21
Joined: 09 Apr 2024 14:56
Location: Copenhagen

Re: Voltage regulator wiring?

Post by Motomat350 »

No unfortunately not.
I don’t know, guess I have to check is the green are supposed to be yellow :shock:
User avatar
Parker3865
Posts: 197
Joined: 13 Sep 2022 18:16
Location: Brentwood
Contact:

Re: Voltage regulator wiring?

Post by Parker3865 »

This for a ducati, no idea how you would translate that to the Morini wiring
ducati rectifier wiring.jpg
ducati rectifier wiring.jpg (162.07 KiB) Viewed 5226 times
Morini 250 2c rebuilt from a box of bits.
MickeyMoto
Posts: 2730
Joined: 22 Nov 2008 17:41
Location: Even further oop North

Re: Voltage regulator wiring?

Post by MickeyMoto »

Motomat350 wrote: 27 Sep 2025 14:18 No unfortunately not.
I don’t know, guess I have to check is the green are supposed to be yellow :shock:
Looking at the picture, it looks like the reg rec has been moved to the toolbox. It does not look standard.
123morini
Posts: 43
Joined: 30 Nov 2015 12:19
Location: Chenee Liege Belgium

Re: Voltage regulator wiring?

Post by 123morini »

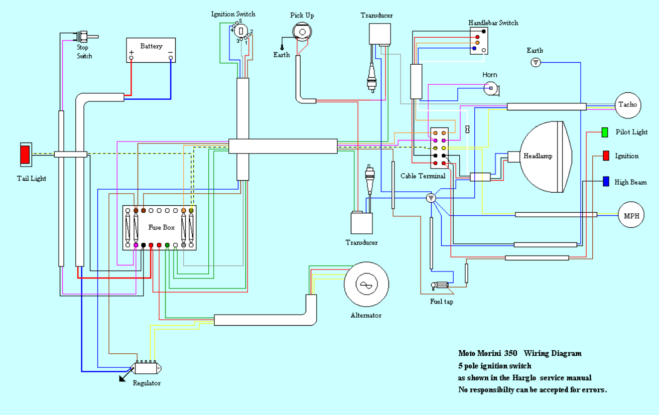
Hello ,

here is a wiring diagram of first model .
Capture d’écran 2025-09-30 125235.png
Capture d’écran 2025-09-30 125235.png (116.4 KiB) Viewed 5135 times


Christian .
3potjohn
Posts: 1464
Joined: 02 Jun 2007 13:58
Location: Devon

Re: Voltage regulator wiring?

Post by 3potjohn »

Does this help?
viewtopic.php?t=3532
Post Reply